C Class (W205) C 180 BlueTec,C 200 BlueTec,C 220 BlueTec,C 220 BlueTec BlueEfficiency,C 250 BlueTec,C 300 BlueTec Hybridplus,C 180,C 180 BlueEfficiency,C 200,C 250,C 300,C 400 Plug-in Hybrid,C 400

Car wiring

Thread Tools
 
Search this Thread
 
Rate Thread
 
Old Jun 8, 2025 | 08:22 PM
  #1  
Js3's Avatar
Js3
Thread Starter
Newbie
 
Joined: May 2025
Posts: 2
Likes: 0
2021 c300 base
Car wiring

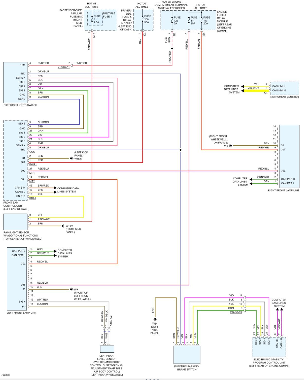
Can anybody help me find the turn signal wiring that goes to the headlights for a Mercedes c300 2021
Reply
Old Jun 9, 2025 | 01:07 PM
  #2  
Cosworth2000's Avatar
MBWorld Fanatic!
10 Year Member
Community Builder
Liked
Community Favorite
 
Joined: Jun 2012
Posts: 1,229
Likes: 188
From: Toronto
2022 E53 AMG
I wish I could help however I do not have wiring diagrams but only OE diagrams which shows me that you need to look at N10/8 module and everything runs off the CAM B signal to the modules behind each wiring loom.
Reply

Currently Active Users Viewing This Thread: 1 (0 members and 1 guests)
 


You have already rated this thread Rating: Thread Rating: 0 votes,  average.


All times are GMT -4. The time now is 01:40 PM.

story-0
6 Mercedes Models That Did NOT Age Well (But Are Somehow Still Cool)

Slideshow: Not every Mercedes design becomes timeless, some feel stuck in the era they came from.

By Verdad Gallardo | 2026-05-12 18:09:07


VIEW MORE
story-1
Manual Mercedes? 6 Times Sindelfingen Let Drivers Have All The Fun

Slideshow: Yes, Mercedes built manual cars, and some of them are far more interesting than you'd expect.

By Verdad Gallardo | 2026-05-02 12:36:58


VIEW MORE
story-2
Mercedes SLR McLaren 722 S Is Extremely Rare Example Modified by McLaren

Slideshow: A one-of-one U.S.-spec Mercedes-Benz SLR McLaren Roadster became even rarer after a factory-backed transformation at McLaren's headquarters.

By Verdad Gallardo | 2026-04-29 11:19:28


VIEW MORE
story-3
8 Classic Boxy Mercedes Designs That Have Aged Like Fine Wine

Slideshow: Before curves took over, Mercedes mastered the art of the straight line, and some of those shapes still look right today.

By Verdad Gallardo | 2026-04-25 12:05:49


VIEW MORE
story-4
Flawlessly Restored Mercedes 190E Evo II Heads to Auction

Slideshow: The 190E Evolution II shows how a homologation necessity became a six-figure collector icon.

By Verdad Gallardo | 2026-04-22 17:53:47


VIEW MORE
story-5
Electric Mercedes C-Class Unveiled: 11 Things You Need to Know

Slideshow: Mercedes is turning one of its core nameplates electric, and the details show just how serious this shift is.

By Verdad Gallardo | 2026-04-21 13:58:06


VIEW MORE
story-6
Mercedes EQS Gets A Major Update: Everything You Need to Know

Slideshow: Faster charging, longer range, and a controversial steer-by-wire system define the latest evolution of Mercedes-Benz EQS.

By Verdad Gallardo | 2026-04-15 10:35:34


VIEW MORE
story-7
5 Underrated Mercedes-Benz Models That Don't Get the Love They Deserve

Slideshow: These overlooked Mercedes-Benz models never got the spotlight, but they quietly delivered more than most remember.

By Verdad Gallardo | 2026-04-13 19:35:45


VIEW MORE
story-8
Mercedes 300D Has Pushed Well Past 1 Million Miles and It Ain't Stopping

Slideshow: A well-used 1991 Mercedes-Benz 300D with more than one million miles is now looking for a new owner, and it still appears ready for more.

By Verdad Gallardo | 2026-04-10 10:05:15


VIEW MORE
story-9
10 Most Reliable Mercedes-Benz Models You Can Buy Used

Slideshow: From bulletproof sedans to surprisingly tough SUVs, these Mercedes models proved that the three-pointed star can go the distance.

By Verdad Gallardo | 2026-04-08 09:55:49


VIEW MORE