E-Class (W211) 2003-2009

2005 E320 CDI – Turbo Whistle After VGT Actuator Replacement (With WOT Log Data)

Old Sep 22, 2025 | 11:12 PM
  #1  
S-Tier AMG's Avatar
Thread Starter
Newbie
Photogenic
 
Joined: Apr 2025
Posts: 6
Likes: 0
04 E55, 05 320CDI, 87 300dt
2005 E320 CDI – Turbo Whistle After VGT Actuator Replacement (With WOT Log Data)

Hey everyone,

I have a 2005 E320 CDI with 130k miles. When I bought the car the turbo already had a noticeable robotic whistle. I diagnosed a faulty VGT actuator since it failed the actuator test and I had both overboost and underboost codes. I replaced it with a refurbished OEM actuator, which now moves smoothly and cleared up the codes. The car always went into limp mode with no power before I replaced the actuator.

The car drives much better and boost delivery is smooth. It comes on very strong and stays in the power all through the rpm. Now the turbo now makes an even louder “R2-D2 or siren-like” whistle. It was pretty bad before but now it is worse. It is present even with light throttle. During an EGR test I also noticed sputtering, which makes me wonder if airflow or vane control is involved.

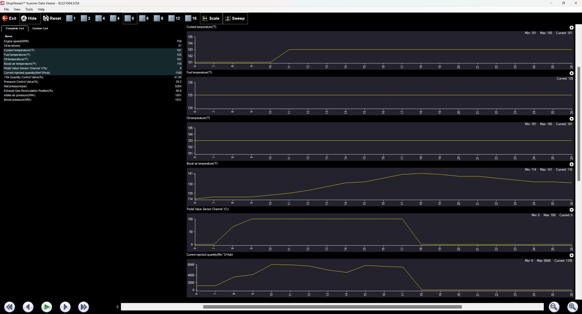
To dig deeper I did a standing-start WOT run through the gears (1st to 2nd) and logged the data. It was a smooth run and the boost dips in the graphs are simply from gear changes. Here is what I saw:
  • Boost pressure peaked around 2,230 hPa (about 17.7 psi over atmospheric) and rose smoothly within each gear.
  • Rail pressure topped at about 23,000 psi, dipped briefly during shifts, then held steady.
  • Intake air pressure dropped to the mid-950s hPa range while atmospheric was about 1012 hPa.
  • Boost air temperature climbed from about 114°F to 141°F during the pull.
So boost is present and builds smoothly, but the turbo whistle is still pronounced. The noise lines up with airflow and load, not with random oscillations. The vane lever feels smooth when moved by hand

My main questions are:
  1. Has anyone else had a turbo make this type of siren whistle even though it is building proper boost?
  2. What are my next steps?
I plan to add Requested vs Actual Boost and VGT duty cycle to a future log, but I wanted to share this data now since the sound is unusual compared to other CDIs I have owned.

Thanks in advance. Screenshots from the WOT run are attached.



Reply
Old Sep 24, 2025 | 01:28 PM
  #2  
ptkacik's Avatar
Senior Member
10 Year Member
Liked
 
Joined: Aug 2014
Posts: 336
Likes: 20
From: Charlotte, NC
2005 E320 CDI, 2015 GLA 250
Turbos are very noisy, but typically not in a Mercedes E class.

Out of curiosity, did you modify any of the sound deadening materials? I too, have a 2005 CDI and I am close to 270,000 miles. There are a ton of sound deadening materials and after 20 years, these are now seriously old and decaying. I work hard to maintain them but the engine covers and the underrbody plates have very fragile sound insulation.

Peter
Reply
Old Sep 27, 2025 | 05:45 AM
  #3  
Heguli's Avatar
Super Member
Liked
Loved
 
Joined: Jul 2021
Posts: 528
Likes: 157
2006 E280
Originally Posted by S-Tier AMG
My main questions are:
  1. Has anyone else had a turbo make this type of siren whistle even though it is building proper boost?
  2. What are my next steps?
Pull the intake and down pipe, and check the vanes for any missing pieces. Check turbine shaft for any play, little axial play is normal, but there shouldn't be any radial play.
Also perform visual check that there's no cracks on either of the housings.
Reply
Old Nov 4, 2025 | 07:30 PM
  #4  
S-Tier AMG's Avatar
Thread Starter
Newbie
Photogenic
 
Joined: Apr 2025
Posts: 6
Likes: 0
04 E55, 05 320CDI, 87 300dt
So I did check the impeller when the noise first appeared. I just checked it again and I think I found my answer. Looks like it's time to park it and start searching for a turbo

Reply

Currently Active Users Viewing This Thread: 2 (0 members and 2 guests)
 

Thread Tools
Search this Thread
Rate This Thread
Rate This Thread:
You have already rated this thread Rating: Thread Rating: 0 votes,  average.


All times are GMT -4. The time now is 10:44 PM.